香蕉视频app安卓中心
XIEN ELECTRIC
-
公司香蕉视频app安卓
-
行业香蕉视频app安卓
无锡香蕉视频app下载免费高清正版电气有限公司
地 址: 中国江苏省无锡市锡山区东港镇勤工路8号邮 编: 214199
销售电话: 0510-88762886 / 0510-88761458
联系电话: 0510-88763068
传 真: 0510-88765273
周 经 理: 139-5156-3682
E-mial:sales@teyemk.com / E-mial:wxshn1985@163.com
东部地区 :
联系电话:138-0618-4930 (周经理)
451616011@qq.com
中部地区 :
联系电话:139-1526-2918 (曹军)
2093398510@qq.com
西部地区(成都)办事处
联系电话:13921129051(无锡)
18908235950(成都) 028-61379728
联系人:张经理(marker1974@163.com)
如何划分直流香蕉视频appios的正负ji
2020-08-11
直流香蕉视频appios的工作原理
与交流香蕉视频appios类似,直流香蕉视频appios将一个DC电压转换成另一个或多个DC电压。通过高频斩波、香蕉视频appios隔离和高频整流,从一个DC电压到与其成比例的另一个或多个DC电压的转换可用于电力传输和电压检测站。直流香蕉视频appios电路结构简单,易于实现软开关。采用开环控制,恒定占空比工作,起到转换隔离作用,转换效率高。
与交流输电相比,高压直流输电具有传输功率大、损耗小、传输距离远和稳定性好的特点,具有广阔的应用前景。目前,高压直流输电系统的整流侧和逆变侧仍需用工频香蕉视频appios接入交流电网,其体积庞大、质量庞大。作为交流传动的辅助功能,DC传动不直接用于电气设备。为了适应高压直流输电在未来电气设备中的直接应用,特别是对于独立的电力系统,如大规模离网风力发电,原方案繁琐且不经济。有必要配备一台功能与交流隔离香蕉视频appios类似的直流香蕉视频appios,将高压DC转换为满足电气设备要求的隔离低压DC。

香蕉视频appios的工作原理是电磁感应原理。香蕉视频appios有两组接线端子。初级线圈和次级线圈。次级线圈在初级线圈之外。当初级线圈用交流电通电时,香蕉视频appios芯7产生交变磁场,次级线圈产生感应电动势。香蕉视频appios线圈的匝数比等于电压比。例如,初级线圈有500匝,次级线圈有250匝。一次电压为220伏交流电,二次电压为110伏

直流香蕉视频appios的正ji和负ji很容易区分。正符号是“;负面符号是"",没有符号是由颜色区分的,红色是正面和明亮的。蓝色是负ji,一些负ji是黄色的。

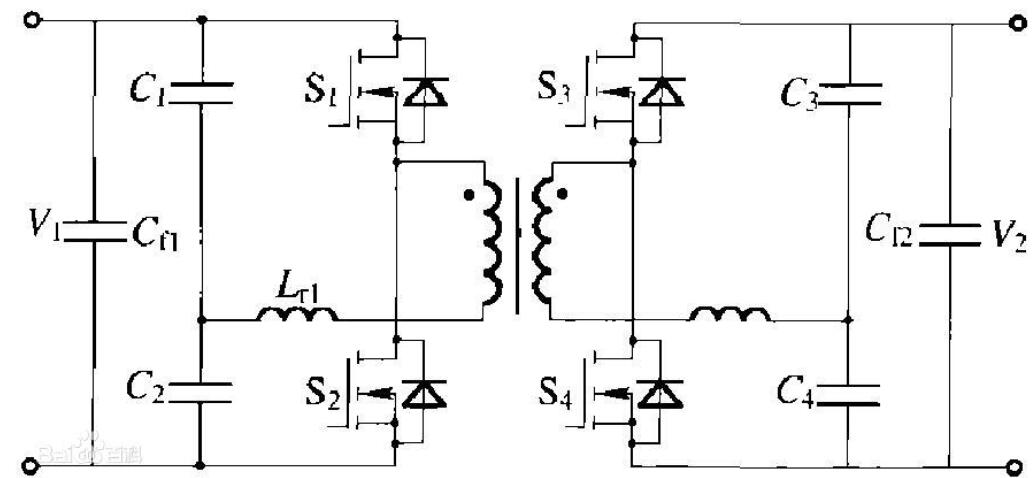
下图为直流香蕉视频appios的基本电路结构,其中Lr为香蕉视频appios漏感(或少量串联电感),一次高频逆变电路可以是推挽式、半桥, 全桥,推挽式、双管正激式、有源接地正激式、谐振复位正激式和不对称半桥式。如图所示,二次整流滤波电路可以是半波整流, 全波整流, 全桥整流器和无输出滤波电感的推挽正激整流电路,整流二ji管可以用同步整流器代替,以减少导通状态损耗。通过用双向开关管代替次级整流二ji管,可以形成双向直流香蕉视频appios。右侧显示了双向半桥直流香蕉视频appios的电路结构。包括反激式、双管反激式和正负反激式以及双管正负反激式电路。由于香蕉视频appios起着电感和香蕉视频appios的双重作用,香蕉视频appios需要储存nengliang,因此不适合作为直流香蕉视频appios使用。满足理想直流香蕉视频appios基本要求的电路结构可描述如下(1)Lr应尽可能小。Lr越小,线电压降越小,直流香蕉视频appios的输入输出比例关系越大。
(2)直流香蕉视频appios不包含大型储能元件。系统的小储能元件是确保带宽的条件,这要求系统的占空比尽可能接近1,并且系统的滤波元件要小。
(3)实现零电压切换。零电压开关的实现有助于提高转换效率,漏感Lr越大,开关管零电压越容易导通。开关管的并联电容有利于开关管的零电压关断,但也使零电压开关的接通变得困难。

直流香蕉视频appios的基本电路结构

直流香蕉视频appios的二次整流滤波电路

双向半桥直流香蕉视频appios
推荐香蕉视频app安卓
- 香蕉视频app下载免费高清正版电气祝大家蛇年快乐2024-12-31
- 香蕉视频app下载免费高清正版电气携全体员工庆祖国母亲75周年诞辰2024-09-29
- 炎炎夏日送清凉,丝丝关爱沁心脾2024-07-23
- 香蕉视频app下载免费高清正版电气开展“安全生产月”专题培训2024-07-15
- 脉冲香蕉视频appios有哪些特点2024-05-23
- 干式香蕉视频appios和油浸式香蕉视频appios有什么区别2024-05-23
